
DC/DC CONVERTER
REGULATED TYPE
RCP SERIES
OUTPUT SPECIFICATIONS
|
ELECTRICAL SPECIFICATIONS |
|||
|---|---|---|---|
|
Input Voltage Range |
+/-10% max |
Line Regulation |
+/-1% max |
|
Input Filter |
Pi Network |
Load Regulation |
+/-1% max |
|
Protection |
Fuse Recommended |
Minimum Load |
10% of Full Load |
|
Voltage Setpoint Accuracy |
+/-5% max |
Short Circuit Protection |
Current Limit Protection |
|
Temperature Coefficient |
+/-0.05%/oC |
Short Circuit Restart |
Automatic |
|
Ripple & Noise(20MHz BW) |
100mVp-p max |
Transient Response |
200uS max |
|
Mechanical Characteristics |
|
|---|---|
|
Length:31.8mm |
Height: 10.2mm |
|
Width: 20.3mm |
Weight: 12.0g-14.4g |
|
GENERAL SPECIFICATIONS |
|||
|---|---|---|---|
|
Operating Temperature |
-25oC to +71oC |
Isolation Capacitance |
80pF max |
|
Storage Temperature |
-55oC to +125oC |
Switching Frequency |
50 KHz min |
|
Humidity |
95% max |
MTBF |
>850,000 Hours at 25oC |
|
Cooling |
Free-Air Convection |
Case Material |
Non-Conductive Plastic or Five-Sided Shield Case |
|
Efficiency |
58% min |
Conducted Emissions |
EN55022 Class A |
|
Isolation Voltage |
2000 VDC min |
Radiated Emissions |
EN55022 Class A |
|
Isolation Resistance |
109 ohms min |
|
|
|
3W SINGLE OUTPUT |
|||||||
|---|---|---|---|---|---|---|---|
|
Model No |
INPUT VOLTAGE |
OUTPUT VOLTAGE |
OUTPUT CURRENT |
INPUT CURRENT(mA) |
EFF |
ISOLATION |
|
|
FULL LOAD |
NO LOAD |
||||||
|
RCPS-0505(M) |
4.5-5.5 |
5 |
600 |
970 |
70 |
62 |
2000 |
|
RCPS-0509(M) |
4.5-5.5 |
9 |
330 |
950 |
70 |
63 |
2000 |
|
RCPS-0512(M) |
4.5-5.5 |
12 |
250 |
930 |
70 |
65 |
2000 |
|
RCPS-0515(M) |
4.5-5.5 |
15 |
200 |
950 |
70 |
63 |
2000 |
|
RCPS-0524(M) |
4.5-5.5 |
24 |
125 |
940 |
70 |
64 |
2000 |
|
RCPS-1205(M) |
10.8-13.2 |
5 |
600 |
410 |
30 |
61 |
2000 |
|
RCPS-1209(M) |
10.8-13.2 |
9 |
330 |
400 |
30 |
63 |
2000 |
|
RCPS-1212(M) |
10.8-13.2 |
12 |
250 |
380 |
30 |
66 |
2000 |
|
RCPS-1215(M) |
10.8-13.2 |
15 |
200 |
360 |
30 |
69 |
2000 |
|
RCPS-1224(M) |
10.8-13.2 |
24 |
125 |
360 |
30 |
69 |
2000 |
|
RCPS-2405(M) |
21.6-26.4 |
5 |
600 |
200 |
20 |
63 |
2000 |
|
RCPS-2409(M) |
21.6-26.4 |
9 |
330 |
190 |
20 |
66 |
2000 |
|
RCPS-2412(M) |
21.6-26.4 |
12 |
250 |
190 |
20 |
66 |
2000 |
|
RCPS-2415(M) |
21.6-26.4 |
15 |
200 |
190 |
20 |
66 |
2000 |
|
RCPS-2424(M) |
21.6-26.4 |
24 |
125 |
190 |
20 |
66 |
2000 |
|
RCPS-4805(M) |
43.2-52.8 |
5 |
600 |
100 |
10 |
63 |
2000 |
|
RCPS-4809(M) |
43.2-52.8 |
9 |
330 |
100 |
10 |
63 |
2000 |
|
RCPS-4812(M) |
43.2-52.8 |
12 |
250 |
100 |
10 |
63 |
2000 |
|
RCPS-4815(M) |
43.2-52.8 |
15 |
200 |
100 |
10 |
63 |
2000 |
|
RCPS-4824(M) |
43.2-52.8 |
24 |
125 |
100 |
10 |
63 |
2000 |
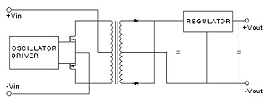
SIMPLIFIED SCHEMATIC

MECHANICAL DIMENSIONS &
RECOMMENDED FOOTPRINT DETAILS







